SIA45ES-2RS軸承
SIA45ES-2RS軸承(內徑:- 外徑:-厚度:-的需要維護的桿端),SIA45ES-2RS軸承是蘇州凱諾永晟提供的SKF品牌軸承,
此外我公司還為您推薦各種國產、其他進口品牌替換SIA45ES-2RS軸承。公司承載著“以質量為本,服務為路線”的道路深得各機械行業(yè)公司的信任!
更多高轉速、高載荷等適用于極限環(huán)境的軸承庫存現貨,請致電“0512-57922999”咨詢!
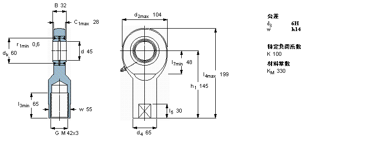
| 需要維護的桿端, 鋼對鋼,陰螺紋, 兩面密封件 | |||||||||||
| 公差 , 參見文字 | |||||||||||
| 徑向內部游隙 , 參見文字 | |||||||||||
|
|
|||||||||||
| 主要數據尺寸 | 角度傾的 | 基本負荷額定值 | 質量 | 型號 | |||||||
| 動態(tài) | 靜態(tài) | 桿端帶右或左旋螺紋 | |||||||||
| d | d2 | B | d3 | C1 | h1 | ± | C | C0 | |||
| 6H | |||||||||||
|
|
|||||||||||
| mm | 度數 | kN | kg | - | |||||||
|
|
|||||||||||
| 45 | 104 | 32 | M 42x3 | 28 | 145 | 7 | 127 | 224 | 3,20 | SIA 45 ES-2RS | |
此軸承 樣本圖紙
同品牌推薦
軸承廣泛應用于:插件機 電焊、切割設備 淬火機床 絡筒并捻機械 交流焊機 履帶挖掘機 對焊焊機 噴砂設備 脫水設備 帶鋸床 模具 輸送機 檢針設備 鉆套 咖啡店設備 等領域。
