33024軸承
33024軸承(內徑:120 外徑:180厚度:48的圓錐滾子軸承),33024軸承是蘇州凱諾永晟提供的SKF品牌軸承,
此外我公司還為您推薦各種國產、其他進口品牌替換33024軸承。公司承載著“以質量為本,服務為路線”的道路深得各機械行業(yè)公司的信任!
更多高轉速、高載荷等適用于極限環(huán)境的軸承庫存現貨,請致電“0512-57922999”咨詢!
| 圓錐滾子軸承, 單列, 公制軸承 | ||||||||||
| 公差 , 參見文字 | ||||||||||
| 推薦配合 | ||||||||||
| 軸和軸承座公差 | ||||||||||
|
|
||||||||||
| 主要數據尺寸 | 基本負荷額定值 | 疲勞負荷限值 | 額定速度 | 體積 | 型號 | |||||
| 動態(tài) | 靜態(tài) | 參照速度 | 限制速度 | |||||||
| d | D | T | C | C0 | Pu | |||||
|
|
||||||||||
| mm | kN | kN | r/min | kg | - | |||||
|
|
||||||||||
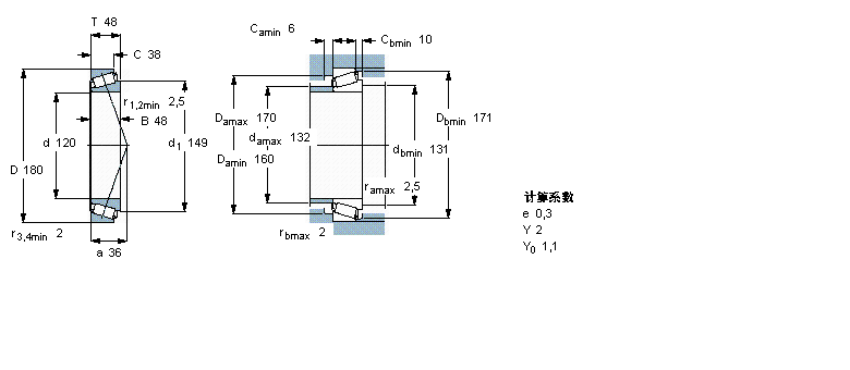
| 120 | 180 | 48 | 292 | 540 | 56 | 2600 | 3400 | 4,20 | 33024 | |
此軸承 樣本圖紙
同品牌推薦
軸承廣泛應用于:干燥機 普通型冷卻塔 軸流泵 鉆采設備 鉆機 帶鋸床 制丸機 排屑機 干燥設備 蛋糕房設備 糖果機械 吹膜機 自動焊機 低溫冷凍機 螺桿冷凍機 等領域。
