NJ18/630ECMA/HB1軸承
NJ18/630ECMA/HB1軸承(內徑:630 外徑:780厚度:69的圓柱滾子軸承),NJ18/630ECMA/HB1軸承是蘇州凱諾永晟提供的SKF品牌軸承,
此外我公司還為您推薦各種國產、其他進口品牌替換NJ18/630ECMA/HB1軸承。公司承載著“以質量為本,服務為路線”的道路深得各機械行業(yè)公司的信任!
更多高轉速、高載荷等適用于極限環(huán)境的軸承庫存現貨,請致電“0512-57922999”咨詢!
| 圓柱滾子軸承, 單列, NJ 設計 | ||||||||||||
| 公差 , 參見文字 | ||||||||||||
| 徑向內部間隙, 圓柱型內孔 , 圓錐型內孔, 無密封件 , 參見文字 | ||||||||||||
| 推薦配合 | ||||||||||||
| 軸和軸承座公差 | ||||||||||||
|
|
||||||||||||
| 主要數據尺寸 | 基本負荷額定值 | 疲勞負荷限值 | 額定速度 | 體積 | 型號 | 適宜的斜擋圈 | ||||||
| 動態(tài) | 靜態(tài) | 參照速度 | 限制速度 | 型號 | ||||||||
| d | D | B | C | C0 | Pu | |||||||
|
|
||||||||||||
| mm | kN | kN | r/min | kg | - | - | ||||||
|
|
||||||||||||
| 630 | 780 | 69 | 1100 | 2500 | 183 | 800 | 1000 | 75,0 | NJ 18/630 ECMA/HB1 | - | ||
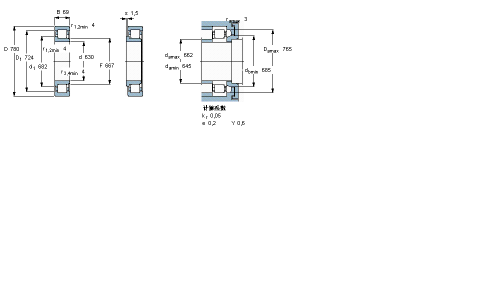
此軸承 樣本圖紙
同品牌推薦
軸承廣泛應用于:模溫機 填料 吹瓶機 工藝試驗機 塑機配件 熨燙機 手輪 壓接機 填料塔 開式反應釜 腳踏焊機 炊事設備 焊管機 烘線機 工程及工程設計 等領域。
